GEFRAN   联系我们
网 站 首 页 产 品 中 心 解 决 方 案 资 料 下 载 客 户 服 务
GEFRAN> GEFRAN显示报警表 > GEFRAN 40B96压力显示报警表
 
>> GEFRAN 线性位移传感器
最新 热卖GSF 拉绳位移传感器
LT   PC
PK PA1
PY1 PY2
PY3 PZ12
PZ34 LT67
PC67 PZ67-S
PKZ67-A PME
PMA PMI
PR65 PS
PCIR101/102 PCIR

>> GEFRAN 磁滞伸缩传感器
最新 ONP1-A 热卖 MK4-A
MK4S MK4-C
IK4A IK4-S
IK4C RK-2
RK-4

>> GEFRAN 称重传感器
热卖 TR AM
CB CC
CIR-D CIR
CM CT
CU OC
OD SB
SH TC
TH TU

>> GEFRAN 压力传感器
热卖 TK KS
TKDA TSA
TPS TPSA
TPSADA TPF
RK-4

>> GEFRAN 显示报警仪表
4T72 4T48
4T96 4A48/96
40T72 4T0T48
40T96 40TB
40B48 热卖 40B96
2300 热卖 2400

>> GEFRAN 控制器
400-401 600
1200-1300 1000-1001
800 1600-1800
800V 1600V-1800V
800P 1600P-1800P
热卖 2301 热卖 2500

品 牌 导 航
 德国 GRAEFF 法国 ATMI
 美国 DOSMAITC 美国 DYISCO
美国 Telonic Berkeley
意大利 SENSOR SYSTEM

GEFRAN 40B96 压力显示报警表 熔体压力显示报警、电位计显示报警、继电器输出、模拟量在变送

GEFRAN 40B96压力显示报警表

GEFRAN 40B96 压力显示报警表

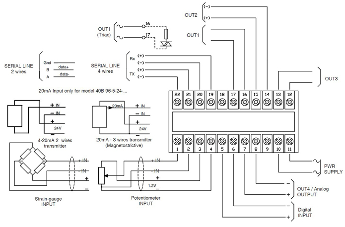
GEFRAN【40B96】压力显示报警表。GEFRAN 40B96压力显示报警仪表尺寸为48x96mm,面板可组态输入/输出。仪表面板保护等级可达IP65,有效防止的意外损坏。GEFRAN 40B96压力显示报警仪表主要应用于、压力检测、远程中继器、测试台、食品加工设备等。GEFRAN 40B96型压力显示报警表可面板组态输入/输出方便快捷,压力继电器控制输出,自带密码保护功能,可防止意外组成错误引起麻烦。并且GEFRAN 40B96压力显示报警表可选数字R232/485通讯,并且可远程组态。GEFRAN 40B96仪表自带24VDC电压,方便各类变送器供电输入,40B96支持模拟再变松输出电压/电流可组态。(电压:0~10、2~10、0~5、1~5;电流:0~20mA、4~20mA)。

点击这里给我发消息 联系电话

技术参数

产品选型

电器连接 产品尺寸图 资料下载
-GEFRAN 40B96压力显示报警表-
--GEFRAN 40B96压力显示报警表--
-GEFRAN_40B96接线图-
-GEFRAN_40B96尺寸图-
  技术参数 GRAEFF CDA中文参数 中文资料 GRAEFF CDA中文参数English

 

北京中科畅想科技有限公司

电话:010-65914312 传真:010-65914312 邮 件:zkcx.sales@foxmail.com

销售代表: 点击这里给我发消息 销售代表: 点击这里给我发消息 售后服务:点击这里给我发消息

Copyright © 2011-2012 ZKCX Corporation, All Rights Reserved

分享到: