GEFRAN   联系我们
网 站 首 页 产 品 中 心 解 决 方 案 资 料 下 载 客 户 服 务
GEFRAN > GEFRAN线性位移传感器 > GEFRAN PZ67-S拉杆式直线位移传感器
 
>> GEFRAN 线性位移传感器
最新 热卖GSF 拉绳位移传感器
LT   PC
PK PA1
PY1 PY2
PY3 PZ12
PZ34 LT67
PC67 PZ67-S
PKZ67-A PME
PMA PMI
PR65 PS
PCIR101/102 PCIR

>> GEFRAN 磁滞伸缩传感器
最新 ONP1-A 热卖 MK4-A
MK4S MK4-C
IK4A IK4-S
IK4C RK-2
RK-4

>> GEFRAN 称重传感器
热卖 TR AM
CB CC
CIR-D CIR
CM CT
CU OC
OD SB
SH TC
TH TU

>> GEFRAN 压力传感器
热卖 TK KS
TKDA TSA
TPS TPSA
TPSADA TPF
RK-4

>> GEFRAN 显示报警仪表
4T72 4T48
4T96 4A48/96
40T72 4T0T48
40T96 40TB
40B48 热卖 40B96
2400 热卖 2400

>> GEFRAN 显示报警仪表
400-401 600
1200-1300 1000-1001
800 1600-1800
800V 1600V-1800V
800P 1600P-1800P
热卖 2301 热卖 2500

品 牌 导 航
 德国 GRAEFF 法国 ATMI
 美国 DOSMAITC 美国 DYISCO
美国 Telonic Berkeley
意大利 SENSOR SYSTEM

GEFRAN PZ67-S 直线位移传感器 电子尺、电阻尺、防护等级IP67

GEFRAN【PZ67-S】直线位移传感器

GEFRAN PZ67-S

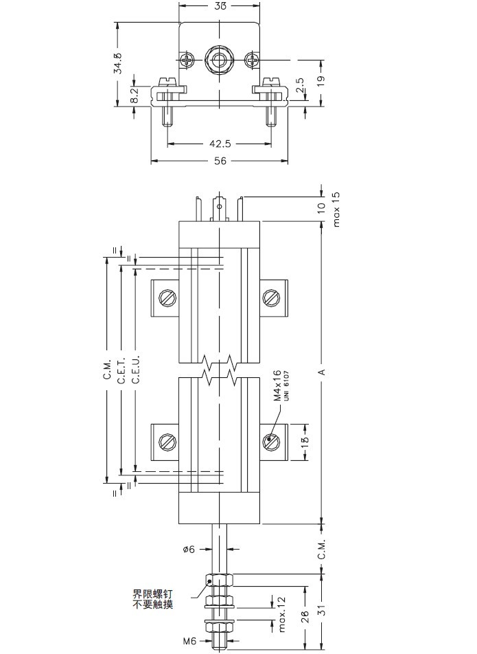
GEFRAN【PZ67-S】直线位移传感器又称电子尺、电阻尺等。GEFRAN PZ67-S拉杆式直线位移传感器,防护等级高达IP67,适用于恶略潮湿、高粉尘、室外的等环境使用。GEFRAN PZ67-S直线位移传感器采用拉杆式设计,配合万向节安装。PZ67-A拉杆式位移传感器独立线性度为±0.5%FS,量程从25~300mm可选。位移速度小于5m/s、壳体材料使用不锈钢材质、最大供电电压可达60VDC、电阻公差±20%、如有任何疑问欢迎联系我们的专业技术团队。

点击这里给我发消息 联系电话

技术参数

产品选型

电器连接 产品尺寸图 资料下载
-GEFRAN【PZ67-S】直线位移传感器-
--GEFRAN【PZ67-S】直线位移传感器--
-GEFRAN【PZ67-S】直线位移传感器-
-GEFRAN【PZ67-S】直线位移传感器-
  技术参数 GEFRAN【PZ67-S】直线位移传感器 中文资料 GEFRAN【PZ67-S】直线位移传感器 English

--------------------------------------------------------------------------------------------------------------------

常用型号:

PZ67-S-50, PZ67-S-75,PZ67-S-100, PZ67-S-125,PZ67-S-150,PZ67-S-200,PZ67-S-225,

PZ67-S-275; PZ67-S-300;PZ67-S-350; PZ67-S-400; PZ67-S-400,PZ67-S-500,PZ67-S-625,

PZ67-S-750; PZ67-S-900

 

北京中科畅想科技有限公司

电话:010-65914312 传真:010-65914312 邮 件:zkcx.sales@foxmail.com

销售代表: 点击这里给我发消息 销售代表: 点击这里给我发消息 售后服务:点击这里给我发消息

Copyright © 2011-2012 ZKCX Corporation, All Rights Reserved

分享到: